Cb17-C - HOMESCHLOCH 2
( Blockhaus pour arme infanterie )
Secteur Fortifié
SFT - SF Thionville
Sous Secteur
Angevillers - Oeutrange
Maître d'ouvrage
MIL - Commandement
Année
Lieu-dit / Parcelle
Homeschloch
Coordonnées
49.426839 - 6.111772
Validité information
Verifié
Niveau de réalisation en 1940
Inconnu
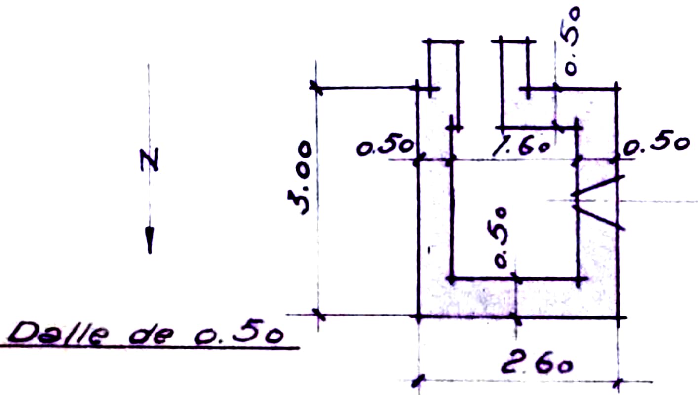
Plan sommaire
Notes et informations
CONSTRUCTION, Description
Blockhaus léger pour arme automatique, flanquant vers le falaise de Molvange.
Piédroits et dalle de 50cm.
Source(s) :
SHD - Inventaire SCOICH, commune de Kanfen
DENOMINATION, Dénominations alternatives
Dénommé Mo 14 A par la SCOICH
Source(s) :
SHD - 3 V 790
Page n° 12958 mise à jour le 29/11/2023 -
© wikimaginot.eu 2022 / 2026
Photos d'époque
Auteur : IGN - Géoportail 1972
remonterletemps.ign.fr
Photos actuelles
Prêt pour la démolition
Auteur : MANSUY Michel
Prêt pour la démolition
Auteur : MANSUY Michel
La visite de ces constructions peut se réveler dangereuse, Mise en garde
Cette page peut receler des erreurs, des inexactitudes ou être incomplète.
Nous vous invitons à nous aider à l'améliorer en y participant.
Pour cela rien de plus simple: il vous suffit de cliquer sur Nous contacter au bas de cette page
pour nous faire part de vos commentaires, suggestions, corrections ou informations et nous transmettre vos photos et documents.
Merci d'avance, la communauté wikimaginot.eu