ENTRANGE Cité

( Abri )









Secteur Fortifié
SFT - SF Thionville

Sous Secteur
Angevillers - Oeutrange

Quartier

Maître d'ouvrage
MIL - Commandement

Constructeur
MOM

Année
1940

Commune
ENTRANGE (57330)

Lieu-dit / Parcelle

Coordonnées
49.417231 - 6.113494

Validité information
Verifié

Niveau de réalisation en 1940
Construit

Etat actuel
Disparu





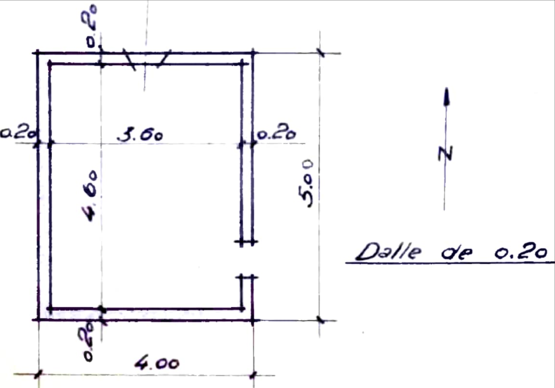
Plan sommaire








Notes et informations



CONSTRUCTION, Description

Abri bétonné de 5mx4m avec petit créneau d'observation frontal. Epaisseur des piédroits et dalle : 0,20m.
Source(s) :
SHD - Inventaire SCOICH - Commune d'Entrange



DENOMINATION, Dénominations alternatives

Dénommé Mo 19 A par la SCOICH
Source(s) :
SHD - 3 V 789



HISTORIQUE, Chronologie

Abandonné par l'armée en Mai 1957. Disparait lors de l'urbanisation et de la rectification de la route entre le village et la cité d'Entrange.

Page n° 22881 mise à jour le 20/11/2022 - © wikimaginot.eu 2019 / 2026




La visite de ces constructions peut se réveler dangereuse, Mise en garde

Cette page peut receler des erreurs, des inexactitudes ou être incomplète.
Nous vous invitons à nous aider à l'améliorer en y participant.

Pour cela rien de plus simple: il vous suffit de cliquer sur
Nous contacter au bas de cette page
pour nous faire part de vos commentaires, suggestions, corrections ou informations et nous transmettre vos photos et documents.

Merci d'avance, la communauté wikimaginot.eu