BUSCHWIESE 1

( Blockhaus pour arme infanterie )









Secteur Fortifié
SFT - SF Thionville

Sous Secteur
Angevillers - Oeutrange

Quartier
Kanfen

Maître d'ouvrage
MIL - Commandement

Constructeur
MOM

Année
Commune
KANFEN (57330)

Lieu-dit / Parcelle
Kanfener Busch

Coordonnées
49.423163 - 6.119431

Validité information
Verifié

Niveau de réalisation en 1940
Construit

Etat actuel
Incomplet





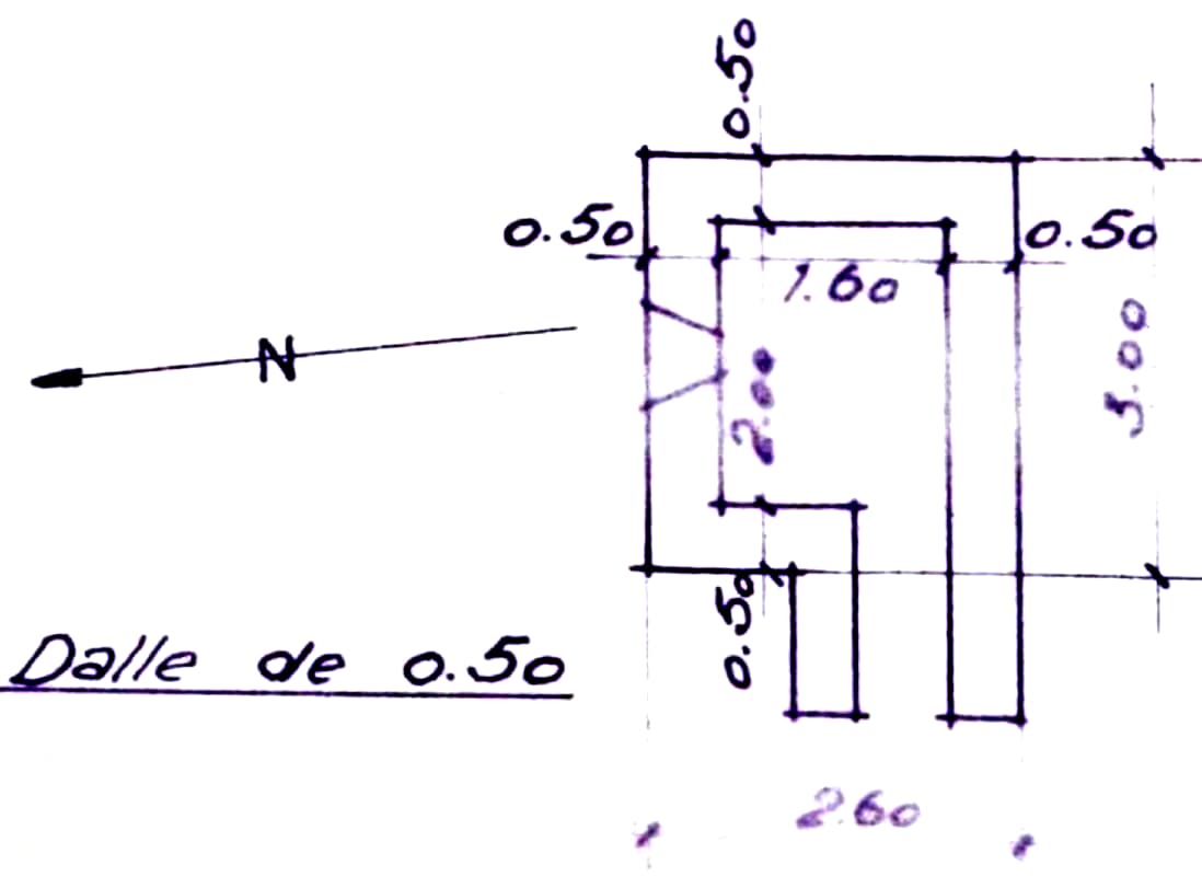
Plan sommaire








Notes et informations



ARMEMENT, Infanterie

Armement prévu : 1 FM ou 1 mitrailleuse
Source(s) :
SCOICH - 3V789



CONSTRUCTION, Description

Ouvrage assurant une faible protection ... en bon état en 1954
Source(s) :
SCOICH - 3V789



DENOMINATION, Dénominations alternatives

Dénommé Mo 18 A par la SCOICH
Source(s) :
SHD - 3 V 790



GENERALITES, Localisation précise

Mission : battre la route de la Mine Charles Ferdinand en direction de la bifurcation Kanfen - Hettange.
Source(s) :
SCOICH - 3V789


Page n° 23262 mise à jour le 19/04/2025 - © wikimaginot.eu 2020 / 2026




La visite de ces constructions peut se réveler dangereuse, Mise en garde

Cette page peut receler des erreurs, des inexactitudes ou être incomplète.
Nous vous invitons à nous aider à l'améliorer en y participant.

Pour cela rien de plus simple: il vous suffit de cliquer sur
Nous contacter au bas de cette page
pour nous faire part de vos commentaires, suggestions, corrections ou informations et nous transmettre vos photos et documents.

Merci d'avance, la communauté wikimaginot.eu