HOMESCHLOCH 4

( Blockhaus pour arme infanterie )









Secteur Fortifié
SFT - SF Thionville

Sous Secteur
Angevillers - Oeutrange

Quartier

Maître d'ouvrage
MIL - Commandement

Constructeur
MOM

Année
Commune
KANFEN (57330)

Lieu-dit / Parcelle
Homeschloch

Coordonnées
49.426733 - 6.112089

Validité information
Verifié

Niveau de réalisation en 1940
Inconnu

Etat actuel
Disparu





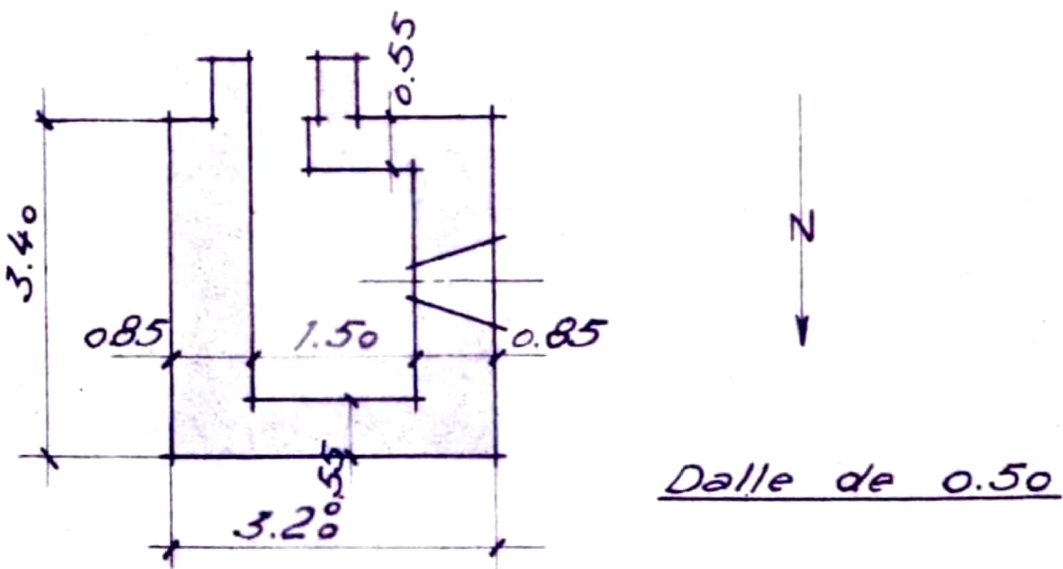
Plan sommaire








Notes et informations



DENOMINATION, Dénominations alternatives

Dénommé Mo 15A par la SCOICH
Source(s) :
SHD - 3 V 790


Page n° 25324 mise à jour le 20/11/2022 - © wikimaginot.eu 2022 / 2026




La visite de ces constructions peut se réveler dangereuse, Mise en garde

Cette page peut receler des erreurs, des inexactitudes ou être incomplète.
Nous vous invitons à nous aider à l'améliorer en y participant.

Pour cela rien de plus simple: il vous suffit de cliquer sur
Nous contacter au bas de cette page
pour nous faire part de vos commentaires, suggestions, corrections ou informations et nous transmettre vos photos et documents.

Merci d'avance, la communauté wikimaginot.eu